Артикул111.003.00.1
Типмонтажная рама
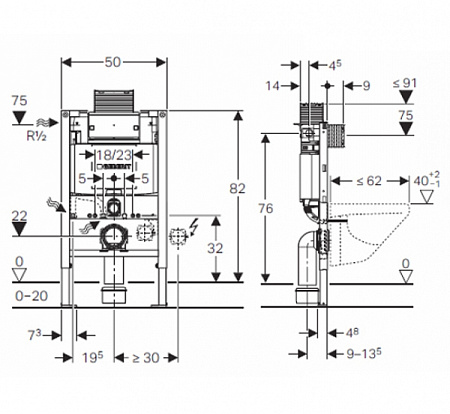
Ширина, см50
Глубина, см13.5
Высота, см82
Материалметалл, пластик
Область применениябытовая
Цветбелый, синий
Вес без упаковки, кг12.97
Режим слива водыдве кнопки (режим эконом)
Подвод водысверху бачка, сзади бачка, сбоку бачка
Монтажная высота, см82
Монтажная глубина, см12
Межосевое расстояние под крепеж. шпильки18, 23
Объем смывн. бачка, л3/6
Метод крепленияв пол, в капитальную стену
Диаметр переходника для слива, см11
Оснащениекрепления
Управлениемеханическое
Метод крепленияв капитальную стену, в пол
Назначениедля унитаза
Оснащениекрепления
Гарантия, лет10

Цель применения:

Для крепежа в пол (0 - 20 см);
Для подвесных унитазов с расстоянием между точками крепления 18 см или 23 см;
Для установки перед капитальной стеной или пустотелой перегородкой;
Для скрытой установки в гипсокартонной перегородке или на капитальной стене с облицовкой панелями (гипсовыми или деревянными);
Для установки в пристенке в высоту помещения или в разделительной перегородке;
Для двойного смыва с клавишами Omega.
Характеристики:

Рама с отверстиями ø 9 мм для крепления в деревянном каркасе;
Самонесущая конструкция;
Рама с C-образным профилем 4/4 см;
Высота элемента 82 см;
Двойной смыв со смывной клавишей Omega20, Omega30 или Omega60;
Рама порошковой окраски, синий ультрамарин;
Ножки, втягиваемые на 5 см;
Опорная площадка поворотная, для монтажа в U-образный профиль UW 50 и UW 75;
Рама подготовлена для крепления крепежных скоб для установки санфаянса с малой контактной поверхностью;
Оцинкованные стойки, регулируемые в диапазоне 0 - 20 см;
Стойки с защитой от скольжения;
Соединительное колено монтируется на различной глубине без использования инструментов, диапазон смещения - 45 мм;
Шумопоглощающее крепление для фанового отвода;
Смывной бачок скрытого монтажа со смывной клавишей верхней / фронтальной установки, с противоконденсатной оболочкой;
При заводской установке возможен немедленный последующий смыв;
Монтаж и сервисные работы на смывном бачке скрытого монтажа не требуют использования инструментов;
Подвод воды сбоку с левой стороны или сзади с левой стороны;
Оснащен трубкой подвода воды для подсоединения устройств Geberit AquaClean.
Технические данные:

Объем воды для смыва, заводская установка    6 и 3 л    
Большой объем воды для смыва, диапазон настройки      4,5 / 6 / 7,5 л    
Малый объем воды для смыва, диапазон настройки    3-4 л
Объём поставки:

Подключение к системе водоснабжения R 1/2 со встроенным угловым запорным вентилем и ручным маховичком;
Коробка монтажная для окна обслуживания;
Две защитные заглушки;
Комплект соединительных патрубков для унитаза, ø 90 мм;
Фановый отвод из ПНД, ø 90 мм;
Переходный патрубок, ø 90/110 мм;
2 резьбовые шпильки M12;
Крепежные элементы.
Не включено:
Смывная клавиша.

В интернет-магазине Сантехника-Шоп вы сможете купить "Система инсталляции Geberit Duofix Omega 111.003.00.1 для подвесного унитаза" по самой выгодной цене в Москве и России. Качество товара подтверждено сертификатом качества и гарантией от производителя. Доставка "Система инсталляции Geberit Duofix Omega 111.003.00.1 для подвесного унитаза" осуществляется в течении 2 рабочих дней с момента оформления заказа. Все интересующие вопросы вы можете задать по телефону 8 (800) 500-89-61.

Дополнительные элементы

кнопка смыва

Кнопка смыва Geberit Omega20 115.085.KJ.1 хром, белая
Код товара:
00085070
Размеры:
1 x 14.2
Цвет:
белый, хром
в наличии
11 440 P
Кнопка смыва Geberit Omega 30 115.080.KJ.1 хром, белый
Код товара:
00085036
Размеры:
21.2 x 1 x 14.2
Цвет:
белый, хром
в наличии
11 120 P
Кнопка смыва Geberit Omega20 115.085.KH.1 хром
Код товара:
00085064
Размеры:
1 x 14.2
Цвет:
белый, хром
в наличии
13 000 P
Кнопка смыва Geberit Omega 30 115.080.KH.1 хром
Код товара:
00085035
Размеры:
1 x 14.2
Цвет:
белый, хром
в наличии
16 380 P

звукоизолирующая прокладка

Звукоизолирующая прокладка Geberit 156.050.00.1
Код товара:
00016204
Размеры:
Цвет:
в наличии
1 160 P

крепление

Комплект крепления для инсталляций Geberit Duofix 111.835.00.1 угловой к стене
Код товара:
00076536
Размеры:
6 x 20
Цвет:
хром
в наличии
2 030 P
Комплект крепления к стене Geberit Duofix 111.815.00.1
Код товара:
00076550
Размеры:
Цвет:
хром
в наличии
2 330 P
Комплект крепления для инсталляций Geberit Duofix 111.839.00.1 к стене
Код товара:
00076617
Размеры:
4 x 20
Цвет:
хром
в наличии
1 300 P

Варианты исполнения

Модель Цвет Габариты (дшв): Стоимость
Система инсталляции Geberit Duofix Delta 458.149.21.1 для подвесного унитаза, с кнопкой смыва белый, синий 50 x 12 x 132 24 570 P подробнее
Система инсталляции Geberit Duofix UP320 111.300.00.5 для подвесного унитаза белый, синий 50 x 12 x 112 24 700 P подробнее
Система инсталляции Geberit Duofix Delta UP100 111.153.00.1 для подвесного унитаза белый, синий 50 x 12 x 112 23 680 P подробнее
Система инсталляции Geberit Duofix 111.616.00.1 для писсуаров белый, синий 50 x 7.5 x 130 36 420 P подробнее
Система инсталляции Geberit Duofix Delta 458.163.21.1 для подвесного унитаза, с кнопкой смыва белый, синий 50 x 12 x 132 25 990 P подробнее

Другие товары коллекции

Наверх